Micro Switch
Push Button Switch Waterproof Micro Switch Micro Switch Rocker Switch Toggle Switch Slide Switch Indicator Light Other Switch

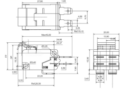
Detail
Item: Micro switch
Part Number:DV-16-B48-NN1-200E-019
Specification:
Rating: 16A 125/250VAC
Contact Resistance:≤100mΩ Max
Insulation Strength:≥100mΩ DC500V
Temperature: 40T125
Test Voltage: AC1500V 1 minute
Operating Force:250±80gf
Free position:21.5mm±0.5mm
Operating position:19.5mm±0.5mm
Soldering Temperature:350℃ 3-5S
AmBIENT Temper.Used: -40℃~+125℃
Load life: ≥50,000 Cycles
Mechanical life:1,000,000 cycles
Function: SPDT/SPST-NO/SPST/NC
Application:
Microwave oven
Mouse
Electronic equipment
Instrumentation
Power Systems
Household appliances
Aerospace, ship, missiles
Military field and so on
Certification
UL, CQC, ENEC,KC and SO ON

Material
Cover | PBT |
Button | PBT |
Terminals | C2680 |
Contact | AgNi Alloy |
Spring Plate | C1720 |
Transfer | C2680 |
Transmission | C2680 |
Lever | SUS301 |
